Czym są dynamiczne kompensatory mocy biernej?
Dynamiczne kompensatory mocy biernej (SVC) to zaawansowane urządzenia elektroenergetyczne służące do automatycznej regulacji napięcia i kompensacji mocy biernej w sieciach przesyłowych i dystrybucyjnych. W przeciwieństwie do tradycyjnych baterii kondensatorów, działają w czasie rzeczywistym, zapewniając stabilne parametry pracy sieci, redukcję strat energii i poprawę współczynnika mocy.
Najczęściej zadawane pytania (FAQ)

Budowa urządzeń
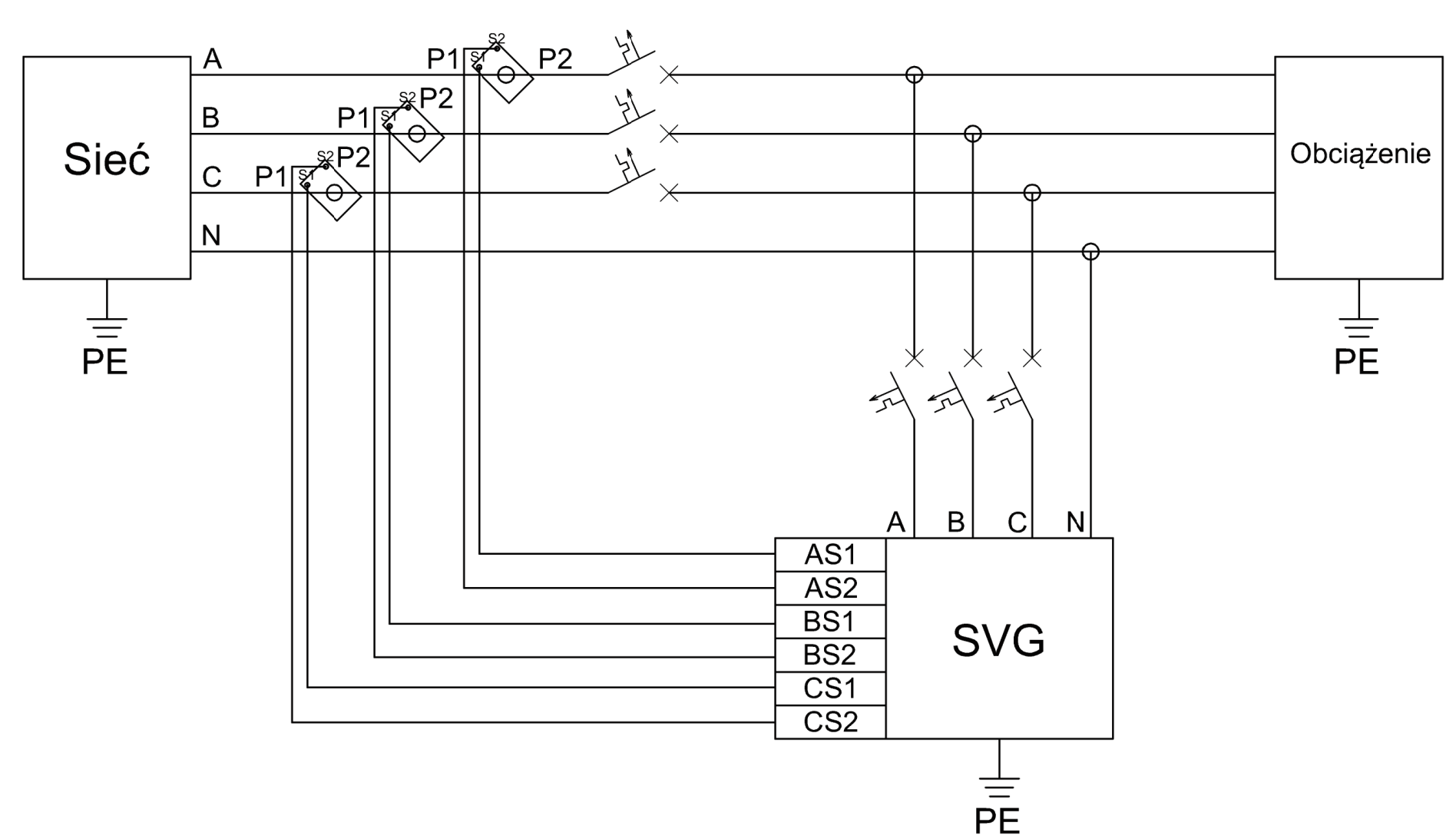
IND-SVG Indual Energy
Aktywny kompensator IND-SVG zawierający (Static Var Generator) oraz filtry aktywne APF (Active Power Filter) to nowoczesne urządzenia energoelektroniczne służące do poprawy jakości energii w czasie rzeczywistym
- Moduły mocy IGBT: Tranzystory bipolarne z izolowaną bramką, które pracują z wysoką częstotliwością przełączania (kilkanaście-kilkadziesiąt kHz), co pozwala na precyzyjne kształtowanie prądu
- Kondensatory DC: Magazynują energię niezbędną do generowania prądu kompensacji.
- Układ sterowania (DSP/FPGA): Zaawansowany procesor sygnałowy, który analizuje parametry sieci w mikrosekundach i steruje tranzystorami IGBT
- Dławiki sprzęgające (AC): Odpowiadają za wygładzanie generowanego prądu i połączenie urządzenia z siecią
- System pomiarowy: Przekładniki prądowe montowane na szynach zasilających, przesyłające dane o obciążeniu do sterownika.
- Interfejs użytkownika: Dotykowy panel LCD do konfiguracji i monitoringu parametrów pracy.
- Inteligentna kontrola temperatury: Czujniki temperatury zintegrowane z układem sterowania dostosowują wydajność chłodzenia do aktualnego obciążenia urządzenia,
Najważniejsze zalety
-
Błyskawiczna reakcja – kompensacja mocy biernej w ułamkach sekundy, idealna przy zmiennych obciążeniach.
-
Poprawa współczynnika mocy i jakości energii – zmniejszenie kar za moc bierną, redukcja wahań napięcia i migotania.
-
Wielofunkcyjność – możliwość kompensacji zarówno mocy biernej indukcyjnej, jak i pojemnościowej, a w nowoczesnych układach również tłumienie harmonicznych.
-
Oszczędność energii i kosztów – redukcja strat przesyłowych, optymalizacja pracy transformatorów i linii.

Zastosowanie aktywnych kompensatorów mocy biernej
Poznaj przykładowe zastosowania kompensatora mocy biernej

Przemysł i energetyka
Stabilizacja napięcia i poprawa jakości energii w zakładach produkcyjnych, hutach, kopalniach.

Sieci przesyłowe i dystrybucyjne
Utrzymanie wymaganego poziomu napięcia i redukcja strat przesyłowych.

Ochrona urządzeń elektrycznych
Zmniejszenie ryzyka awarii i wydłużenie żywotności maszyn oraz instalacji.
Technologia dynamicznego kompensatora mocy biernej
Kompensator dynamiczny SVG
SVG (Static Var Generator) to nowoczesny odpowiednik tradycyjnych baterii kondensatorów. Działa jako źródło prądowe sterowane napięciem, wykorzystując tranzystory IGBT.
Główne funkcje:
- Technologia IGBT (Insulated Gate Bipolar Transistor – tranzystor bipolarny z izolowaną bramką)
to hybrydowe rozwiązanie łączące najlepsze cechy dwóch światów: prostotę sterowania tranzystorów MOSFET oraz wysoką wydajność prądową tranzystorów bipolarnych (BJT)
- Kompensacja mocy biernej (indukcyjnej i pojemnościowej):
SVG może płynnie generować moc bierną o charakterze zarówno pojemnościowym, jak i indukcyjnym. Dzięki temu utrzymuje współczynnik mocy na zadanym poziomie (np. bliskim 1,00).
- Płynna regulacja (bezkrokowa):
W przeciwieństwie do stopniowych baterii kondensatorów, SVG reaguje w sposób ciągły, co eliminuje ryzyko prze-kompensowania lub niedokompensowania
- Bardzo szybki czas odpowiedzi:
Reakcja na zmiany obciążenia następuje w czasie poniżej 10-15 ms, co jest niezbędne przy szybkozmiennych odbiornikach (np. spawarki, windy)
- Symetryzacja obciążeń:
Potrafi wyrównywać asymetrię prądów w poszczególnych fazach.


Aktywny Filtr Harmonicznych APF
APF (Active Power Filter) to najbardziej zaawansowane urządzenie do oczyszczania sieci z zakłóceń wprowadzanych przez odbiorniki nieliniowe (zasilacze impulsowe, falowniki, oświetlenie LED, Zasilacze awaryjne UPS).
Główne funkcje:
- Eliminacja wyższych harmonicznych:
APF monitoruje prąd obciążenia w czasie rzeczywistym, wykrywa zniekształcenia i generuje prąd o przeciwnej fazie. Dzięki temu harmoniczne (zazwyczaj do 25-tej) są „znoszone”.
- Poprawa jakości napięcia:
Redukcja harmonicznych prądu przekłada się na zmniejszenie odkształceń napięcia , co chroni wrażliwą elektronikę przed przegrzaniem i awariami.
- Kompensacja mocy biernej:
Większość filtrów APF posiada również funkcję SVG, czyli potrafi jednocześnie kompensować moc bierną podstawowej harmonicznej (50 Hz).
- Redukcja migotania światła (Flicker):
Dzięki ekstremalnie szybkiej pracy, APF skutecznie niweluje wahania napięcia powodujące uciążliwe migotanie.
Kompensacja mocy biernej w instalacjach fotowoltaicznych OZE
Zastosowanie kompensatora mocy biernej pozwala na:
- Stabilizacja napięcia i ograniczenie oscylacji mocy
- Zwiększenie efektywności energetycznej
- Optymalizacja pracy inwerterów
Kompensacja mocy biernej w instalacjach fotowoltaicznych PV jest niezbędna do optymalizacji wykorzystania energii.
Dzięki niej możliwe jest zredukowanie strat energii, które wynikają z przesyłania mocy biernej przez sieć.
Kompensacja mocy biernej pozwala na zwiększenie efektywności energetycznej instalacji, co przekłada się na oszczędności finansowe.


Oszczędności finansowe i redukcja kosztów dzięki dynamicznym kompensatorom mocy biernej
Zastosowanie aktywnych kompensatorów mocy biernej (SVC, APF) przekłada się nie tylko na poprawę jakości energii elektrycznej, lecz także na realne oszczędności finansowe w zakładach przemysłowych, sieciach dystrybucyjnych i dużych obiektach komercyjnych.
Jak to działa?
-
Zmniejszenie strat przesyłowych – dynamiczna kompensacja mocy biernej stabilizuje napięcie i odciąża transformatory oraz linie energetyczne. Mniejsze straty to mniej energii kupowanej z sieci.
-
Poprawa współczynnika mocy – utrzymywanie wartości bliskiej jedności eliminuje lub znacząco redukuje opłaty za ponad umowny pobór mocy biernej.
-
Stabilna praca urządzeń elektrycznych – mniej awarii, dłuższa żywotność maszyn i instalacji, niższe koszty serwisowania.
-
Lepsze wykorzystanie mocy przyłączeniowej – optymalizacja profilu obciążenia pozwala na przyłączenie większej liczby odbiorników lub źródeł energii bez zwiększania mocy umownej.
Efekt dla przedsiębiorstwa: niższe rachunki za energię elektryczną, uniknięcie kar za energię bierną, skrócony czas zwrotu z inwestycji w kompensator i długofalowa poprawa efektywności energetycznej.
Jak dobrać odpowiedni dynamiczny kompensator mocy biernej?
Dobór dynamicznego kompensatora mocy biernej to kluczowy etap zapewnienia stabilności napięcia, poprawy jakości energii elektrycznej i redukcji kosztów energii biernej w sieciach elektroenergetycznych i instalacjach przemysłowych. Właściwie dobrane urządzenie pozwala na natychmiastową kompensację mocy biernej, dynamiczną regulację napięcia w czasie rzeczywistym oraz ochronę urządzeń elektrycznych przed przeciążeniami.
Nasze grono specjalistów pomoże Ci dobrać odpowiedni dla Ciebie kompensator mocy biernej

Skontaktuj się z nami






